Conventional representation


Conventional representation materials refer to materials that are commonly used to create visual representations, such as drawings, sketches, and blueprints. These materials can include pencils, pens, markers, paper, and drafting equipment. They can also include computer-aided design (CAD) software, which allows for the creation of digital representations. These materials are used in a variety of fields, including architecture, engineering, and product design.

A welded symbol is a graphical representation used in technical drawings and blueprints to indicate the location, type, and size of a weld. The symbol is typically made up of a reference line, an arrow, and a tail. The reference line is a straight line that is used to indicate the location of the weld. The arrow is used to indicate the direction of the weld, and the tail contains information about the type and size of the weld. The tail can also include information about the preparation of the edges to be welded. The different types of welds are represented by different shapes on the tail of the symbol, such as a V for a fillet weld or a U for a groove weld.


Types of rivet

Riveted joint

Foundation bolts
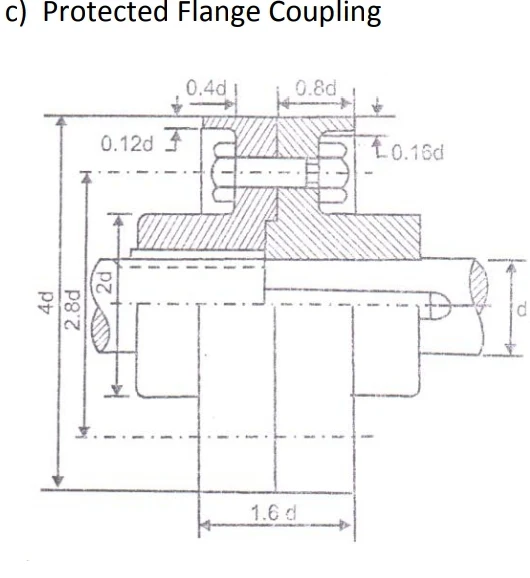
Couplings
Pulleys

Post a Comment

Previous Post Next Post

Post Ads 1

Post Ads 2

Advertising Space